MVC80b
Codice
Coppia nominale
Velocita nominale
Costante di coppia
Momento di inerzia
Freni
Voltaggio
Corrente
Coppia frenante statica
Gioco angolare massimo
Lunghezza motore + L freno
MVC80b
9,5
3000
2,27
3500
MVC 80
24
0,8
5
20
80
Codice
MVC80b
Coppia nominale
9,5
Velocita nominale
3000
Costante di coppia
2,27
Momento di inerzia
3500
Freni
MVC 80
Voltaggio
24
Corrente
0,8
Coppia frenante statica
5
Gioco angolare massimo
20
Lunghezza motore + L freno
80
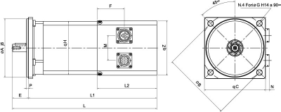
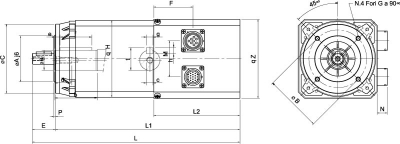
Forme costruttive disponibili
MVCB5
MVCB14


TYPE | A | B | C | E | F | G | H | L | L1 | L2 | M | N | P | Z |
63 | 110 | 130 | 115 | 23 | 49 | 10 | 100 | 268 | 245 | 112 | 41 | * | 3,5 | 103 |
71 | 110 | 130 | 115 | 30 | 57 | 10 | 120 | 285 | 245 | 116 | 49 | * | 3,5 | 123 |
80 | 130 | 165 | 145 | 40 | 57 | 12 | 137 | 325 | 285 | 116 | 50 | * | 3,5 | 140 |
90 | 130 | 165 | 170 | 50 | 65 | 12 | 147 | 376 | 326 | 135 | 60 | * | 3,5 | 150 |

TYPE MEC | a | b | c | d | e | f | g | h | t |
63 | 14 | 30 | M5 | 13 | 18 | 20 | 5 | 5 | 16 |
71 | 19 | 40 | M6 | 16 | 22 | 30 | 6 | 6 | 121,5 |
71 | 19 | 40 | M6 | 16 | 22 | 30 | 6 | 6 | 121,5 |
90 | 24 | 50 | M8 | 20 | 28 | 35 | 8 | 7 | 27 |


TYPE | A | B | C | E | F | G | H | L | L1 | L2 | M | N | P | Z |
63 | 60 | 75 | 90 | 23 | 49 | M5 | 100 | 266 | 243 | 112 | 41 | * | 3,5 | 103 |
71 | 70 | 85 | 105 | 30 | 57 | M6 | 120 | 285 | 255 | 116 | 49 | * | 3,5 | 123 |
80 | 80 | 100 | 120 | 40 | 57 | M6 | 137 | 323 | 283 | 116 | 50 | * | 3,5 | 140 |
90 | 90 | 115 | 140 | 50 | 65 | M8 | 147 | 375 | 325 | 135 | 60 | * | 3,5 | 150 |

TYPE MEC | a | b | c | d | e | f | g | h | t |
63 | 14 | 30 | M5 | 13 | 18 | 20 | 5 | 5 | 16 |
71 | 19 | 40 | M6 | 16 | 22 | 30 | 6 | 6 | 121,5 |
71 | 19 | 40 | M6 | 16 | 22 | 30 | 6 | 6 | 121,5 |
90 | 24 | 50 | M8 | 20 | 28 | 35 | 8 | 7 | 27 |