MADE71b2
Code
Power KW
Speed rpm
Current A (V.230)
Torque Cn Nm
Performance %
Power factor FI
MADE71b2
0.56
2730
4.5
2
60
0.93
Code
MADE71b2
Power KW
0.56
Speed rpm
2730
Current A (V.230)
4.5
Torque Cn Nm
2
Performance %
60
Power factor FI
0.93
Availables mounting types
MMAB3
MMAB5
MMAB14
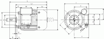
| TYPE MEC | A | B | C | D | E | F | G | G 1 | H | K | I | L | L 1 | L 2 | M | N | O | P | Q | R | U | U 1 | V | X | X 1 | Y | Y 1 | Z |
| 56 | 90 | 71 | 36 | 9 | 20 | 30 | 166 | 110 | 56 | 6 | 162 | 213 | 193 | 74 | 92 | 92 | 115 | M4 | 34 | 58 | 90 | 108 | 9 | 11 | 60 | 110 | 75 | 110 |
| 63 | 100 | 80 | 40 | 11 | 23 | 25 | 178 | 125 | 63 | 7 | 175 | 241 | 218 | 85 | 92 | 92 | 138 | M4 | 34 | 58 | 105 | 120 | 10 | 12 | 75 | 115 | 90 | 123 |
| 71 | 112 | 90 | 45 | 14 | 30 | 25 | 195 | 139 | 71 | 7 | 192 | 276 | 246 | 98 | 92 | 92 | 138 | M4 | 40 | 52 | 108 | 136 | 11 | 12 | 80 | 124 | 90 | 138 |
| 80 | 125 | 100 | 50 | 19 | 40 | 30 | 221 | 157 | 80 | 9,5 | 218 | 317 | 277 | 116 | 110 | 110 | 168 | M5 | 50 | 60 | 125 | 154 | 11 | 17,5 | 100 | 141 | 95 | 156 |
| 90S | 140 | 100 | 56 | 24 | 50 | 33 | 236 | 177 | 90 | 9,5 | 233 | 342 | 292 | 125 | 110 | 110 | 168 | M5 | 50 | 60 | 130 | 174 | 13 | 17,5 | 105 | 146 | 100 | 176 |
| 90L | 140 | 125 | 56 | 24 | 50 | 33 | 236 | 177 | 90 | 9,5 | 233 | 366 | 316 | 125 | 110 | 110 | 194 | M5 | 50 | 60 | 155 | 174 | 13 | 17,5 | 105 | 146 | 100 | 176 |
| 100 | 160 | 140 | 63 | 28 | 60 | 40 | 257 | 196 | 100 | 11,2 | 253 | 430 | 370 | 155 | 110 | 110 | 210 | M6 | 55 | 55 | 175 | 192 | 15 | 21,2 | 115 | 157 | 120 | 194 |
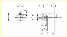
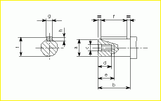
| TYPE MEC | a | b | c | d | e | f | g | h | t |
| 56 | 9 | 20 | M4 | 10 | 14 | 15 | 3 | 3 | 10,2 |
| 63 | 11 | 23 | M4 | 10 | 14 | 15 | 4 | 4 | 12,5 |
| 71 | 14 | 30 | M5 | 13 | 18 | 20 | 5 | 5 | 16 |
| 80 | 19 | 40 | M6 | 16 | 22 | 30 | 6 | 6 | 21,5 |
| 90 | 24 | 50 | M8 | 20 | 28 | 35 | 8 | 7 | 27 |
| 100 | 28 | 60 | M10 | 25 | 35 | 45 | 8 | 7 | 31 |
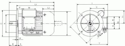
| TYPE MEC | A | B | C | D | E | F | G | I | L | L 1 | L 2 | M | N | P | Q | R | S | X | Y | Y 1 | Z |
| 56 | 80 | 100 | 120 | 9 | 20 | 30 | 7 | 170 | 213 | 193 | 74 | 92 | 92 | 3 | 34 | 58 | 9 | 60 | 110 | 75 | 110 |
| 63 | 95 | 115 | 140 | 11 | 23 | 25 | 10 | 185 | 241 | 218 | 85 | 92 | 92 | 3 | 34 | 58 | 10 | 75 | 115 | 90 | 123 |
| 71 | 110 | 130 | 160 | 14 | 30 | 25 | 10 | 204 | 276 | 246 | 98 | 92 | 92 | 3,5 | 40 | 52 | 10 | 80 | 124 | 90 | 138 |
| 80 | 130 | 165 | 200 | 19 | 40 | 30 | 12 | 241 | 317 | 277 | 116 | 110 | 110 | 3,5 | 50 | 60 | 10 | 100 | 141 | 95 | 156 |
| 90S | 130 | 165 | 200 | 24 | 50 | 33 | 12 | 246 | 342 | 292 | 125 | 110 | 110 | 3,5 | 50 | 60 | 10 | 105 | 146 | 100 | 176 |
| 90L | 130 | 165 | 200 | 24 | 50 | 33 | 12 | 246 | 366 | 316 | 125 | 110 | 110 | 3,5 | 50 | 60 | 10 | 105 | 146 | 100 | 176 |
| 100 | 180 | 215 | 250 | 28 | 60 | 40 | 14,5 | 282 | 430 | 370 | 155 | 110 | 110 | 4 | 55 | 55 | 15 | 115 | 157 | 120 | 194 |
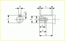
| TYPE MEC | a | b | c | d | e | f | g | h | t |
| 56 | 9 | 20 | M4 | 10 | 14 | 15 | 3 | 3 | 10,2 |
| 63 | 11 | 23 | M4 | 10 | 14 | 15 | 4 | 4 | 12,5 |
| 71 | 14 | 30 | M5 | 13 | 18 | 20 | 5 | 5 | 16 |
| 80 | 19 | 40 | M6 | 16 | 22 | 30 | 6 | 6 | 21,5 |
| 90 | 24 | 50 | M8 | 20 | 28 | 35 | 8 | 7 | 27 |
| 100 | 28 | 60 | M10 | 25 | 35 | 45 | 8 | 7 | 31 |
| TYPE MEC | A | B | C | D | E | F | G | I | L | L 1 | L 2 | M | N | P | Q | R | S | X | Y | Y 1 | Z |
| 56 | 50 | 65 | 80 | 9 | 20 | 30 | M5 | 165 | 213 | 193 | 74 | 92 | 92 | 2 | 34 | 58 | 8,5 | 60 | 110 | 75 | 110 |
| 63 | 60 | 75 | 90 | 11 | 23 | 25 | M5 | 176 | 241 | 218 | 85 | 92 | 92 | 2 | 34 | 58 | 9 | 75 | 115 | 90 | 123 |
| 71 | 70 | 85 | 105 | 14 | 30 | 25 | M6 | 192 | 276 | 246 | 98 | 92 | 92 | 2,5 | 40 | 52 | 12 | 80 | 124 | 90 | 138 |
| 80 | 80 | 100 | 120 | 19 | 40 | 30 | M6 | 218 | 317 | 277 | 116 | 110 | 110 | 3 | 50 | 60 | 12 | 100 | 141 | 95 | 156 |
| 90S | 95 | 115 | 140 | 24 | 50 | 33 | M8 | 233 | 342 | 292 | 125 | 110 | 110 | 3 | 50 | 60 | 15 | 105 | 146 | 100 | 176 |
| 90L | 95 | 115 | 140 | 24 | 50 | 33 | M8 | 233 | 366 | 316 | 125 | 110 | 110 | 3 | 50 | 60 | 15 | 105 | 146 | 100 | 176 |
| 100 | 110 | 130 | 160 | 28 | 60 | 40 | M8 | 253 | 430 | 370 | 155 | 110 | 110 | 3,5 | 55 | 55 | 16,5 | 115 | 157 | 120 | 194 |
| TYPE MEC | a | b | c | d | e | f | g | h | t |
| 56 | 9 | 20 | M4 | 10 | 14 | 15 | 3 | 3 | 10,2 |
| 63 | 11 | 23 | M4 | 10 | 14 | 15 | 4 | 4 | 12,5 |
| 71 | 14 | 30 | M5 | 13 | 18 | 20 | 5 | 5 | 16 |
| 80 | 19 | 40 | M6 | 16 | 22 | 30 | 6 | 6 | 21,5 |
| 90 | 24 | 50 | M8 | 20 | 28 | 35 | 8 | 7 | 27 |
| 100 | 28 | 60 | M10 | 25 | 35 | 45 | 8 | 7 | 31 |
